◆ Modell: YJ150 YJ150A
◆ Bruk: Denne serien med instrumenter brukes hovedsakelig til å kalibrere industrielle eller sivile ordinære trykkmålere. Det kan også brukes til å måle trykket fra ikke-korrosive, ikke-krystalliserende og ikke-konsolidende medier som kobberlegering og legeringsstrukturstål på prosessstedet.
Denne serien med instrumenter i skalalinjen under innstillingen av speilringen, i bruk kan gjøre lesefeilen minimeres. En type med null enhet, i bruksprosessen, hvis du finner ut at pekeren ikke går tilbake til null, i fravær av medietrykk kan finjusterte pekeren, slik at den går tilbake til null for å redusere feilen.
◆ Tekniske parametere :
| modellnummer | YJ150 | YJ150A | |
| Nominell diameter | Φ 150 | ||
| Installasjonsskjema | Ⅰ | * | * |
| Ⅳ | * | * | |
| Kontakttråd | M20 × 1.5 | ||
| Nøyaktighetsklasse | 0.4 | ||
| Måleområde ( MPA ) | Ledig: -0.1 ~ 0 Trykkvakuum : -0.1 ~ 0,06 -0,1 ~ 0.15 -0.1 ~ 0.3 -0.1 ~ 0,5 -0,1 ~ 0,9 -0,1 ~ 1,5 -0,1 ~ 2.4 Trykk: 0 ~ 0.1 0 ~ 0,16 0 ~ 0,25 0 ~ 0,4 0 ~ 0.6 0 ~ 1 0 ~ 1.6 0 ~ 2.5 0 ~ 4 0 ~ 6 0 ~ 10 0 ~ 16 0 ~ 25 0 ~ 40 0 ~ 60 0 ~ 100 | ||
| Miljøforhold for bruk | Temp : 20 ℃ ± 3 ℃ | ||
| Vibrasjonsvurdering | V · H · 2 | ||
| beskyttelsesklasse | IP54 | ||
| Implementeringsstandarder | GB/T 1227 | ||
| Merk: 1. Fellestråder kan tilpasses etter brukerkrav. | |||
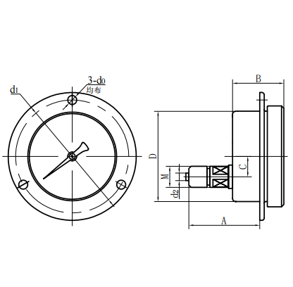
◆ Eksterne dimensjoner:
| Radial direkte type (ⅰ) | Aksial eksentrisk direkte type (ⅱ) |
| modellnummer | Generelle dimensjoner ( mm ) | |||||||
| EN | B | C | D | D0 | D1 | D2 | M | |
| YJ150- Ⅰ Yj150a- Ⅰ | 113 | 51 | 21 | Φ 150 | / | / | Φ 6 | M20 × 1.5 |
| YJ150- Ⅳ Yj150a- Ⅳ | 79 | 51 | 55 | Φ 150 | Φ 6 | Φ 165 | Φ 6 | M20 × 1.5 |


















