◆ Modell: YN40 YN50 YN60 YN75 YN100 YN150
◆ Bruk: Denne serien med instrumenter har god sjokkmotstand, spesielt egnet for steder med sterk vibrasjon av miljøsammer, og tåler voldelig pulsering, sjokk og plutselig lossing av middels trykk. Det er egnet for å måle trykket på væske, gass eller damp som ikke har noen fare for eksplosjon, ikke krystalliserer, ikke stivner og har ingen etsende effekt på kobber- og kobberlegering. Instrumentet indikerer stabile og klare avlesninger. Det er mye brukt i tunge maskiner, gruvedrift, petroleum, kjemisk industri, metallurgi, elektrisk kraft og andre avdelinger.
I henhold til praktisk anvendelse, i henhold til de spesielle egenskapene til forskjellige medier (for eksempel oljeforbud, brannsikker, korrosjonsbestandig osv.), Er kravene til instrumentet forskjellige, så denne serien med instrumenter stammer mange tilsvarende spesielle instrumenter, deres nominelle diameter, installasjonstype, tilkoblingstråd, nøyaktighetsnivå, måling av det som er det samme som det samme som Seism ((Connector Thread (
2.1 Egnet for å måle trykket fra brennbare og eksplosive medier. Det er strengt forbudt å kontakte med fete brennbare stoffer. Degererende behandling blir gjort før du forlater fabrikken og testes for å være fri for fett.
2.1.1 Yon Series Sjokkresistent (seismisk) oksygentrykkmåler
2.1.2 YHN-serie Sjokkresistent (seismisk) hydrogentrykkmåler
2.1.3 Yyn-serie med sjokkresistent (sjokk) acetylentrykkmåler
2.2 Materialene som brukes er resistente mot korrosjon av mediet eller instrumentet har ingen effekt på mediet, og for å sikre at deteksjonselementene og grensesnittene er rene og free.
2.2.1 Yan-serie med sjokkresistent (sjokk) ammoniakktrykkmåler
2.2.2 YDQN-serie med sjokkresistent (sjokk) nitrogentrykkmåler
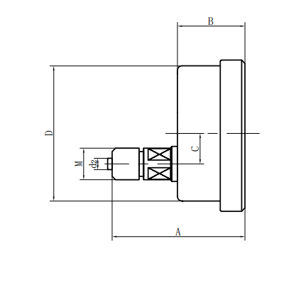
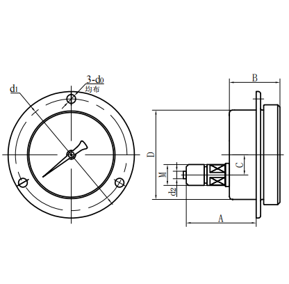
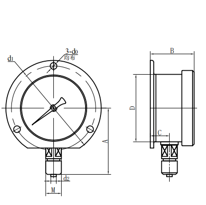
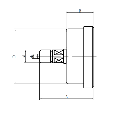
YN-serie sjokk-sikret trykkmåler
Modell: 40mm (1,5 "), 50mm (2"), 60mm (2,5 "), 100mm (4"), 150mm (6 ")
Introduksjon:
Serien med instrumenter har utmerket sjokkmotstand, stabil indikasjon, klare avlesninger og er spesielt egnet for bruk på steder med intense mekaniske vibrasjoner. De kan også tåle drastiske pulsasjoner, påvirkninger og plutselige belastningsreduksjoner av mediet. Det er sjokk-absorberingsmekanisme og væskefylt design (typisk glyserin og silikonolje) gjør det mulig for denne trykkmåleren for å sikre pålitelig og presis trykkmåling selv under komplekse og bivirkninger. På grunn av sin elastisitet og nøyaktighet, er den mye brukt i forskjellige bransjer.



















































































































