◆ Modell: Y40 Y50 Y60 Y75 Y100 Y150 Y200 Y250
◆ Bruk: Denne serien med instrumenter er egnet for å måle trykket på væske, gass eller damp som ikke har noen fare for eksplosjon, ikke krystalliserer, ikke stivner og har ingen etsende effekt på kobber- og kobberlegering.
◆ I praktisk anvendelse, i henhold til de spesielle egenskapene til forskjellige medier (for eksempel oljeforbud, brannforebygging, korrosjonsmotstand, etc.), er kravene til instrumentet forskjellige, så denne serien med instrumenter stammer mange tilsvarende spesielle instrumenter, deres nominelle diameter, installasjonstype, tilkoblingstråd, nøyaktighetsnivå, måling, etc. er det samme som det generelle presset Gauges, og og det generelle trykket General Pressure Trykk på General Pressure, Connector Thread, Nøyaktighetsnivå, måler om rekkevidde.
1.1 Egnet for å måle trykket fra brennbare og eksplosive medier. Det er strengt forbudt å kontakte med fete brennbare stoffer. Degrauserende behandling blir gjort før du forlater fabrikken, og den testes uten fett.
1.1.1 YO -serien Oksygentrykkmåler
1.1.2 YH -serie hydrogentrykkmåler
1.1.3 YY Series acetylen trykkmåler
1.2 Materialene som brukes er motstandsdyktige mot korrosjonen av mediet eller instrumentet har ingen innflytelse på mediet, og sørg for at detekterende elementene og grensesnittene er rene og freet.
1.2.1 YA Series Ammoniakk trykkmåler
1.2.2 YDQ -serie nitrogentrykksmåler
◆ Tekniske parametere :
| Modellnummer | Y40 | Y50 | Y60 | Y75 | Y100 | Y150 | Y200 | Y250 | |
| Nominell diameter | Φ 40 | Φ 50 | Φ 60 | Φ 75 | Φ 100 | Φ 150 | Φ 200 | Φ 250 | |
| Installasjonsskjema | Ⅰ | * | * | * | * | * | * | * | * |
| Ⅱ | / | / | * | / | * | * | * | * | |
| Ⅲ | * | * | * | * | / | / | / | / | |
| Ⅳ | / | / | * | / | * | * | / | / | |
| Ⅴ | * | * | * | * | / | / | / | / | |
| Ⅵ | / | / | * | * | * | * | / | / | |
| Kontakttråd | M10 × 1 | M14 × 1.5 | M20 × 1.5 | ||||||
| Nøyaktighetsklasse | 2.5 | 1.6 | |||||||
| Måleområde ( MPA ) | Ledig: -0.1 ~ 0 Trykkvakuum : -0.1 ~ 0,06 -0,1 ~ 0.15 -0.1 ~ 0.3 -0.1 ~ 0.5 -0.1 ~ 0,9 -0,1 ~ 1,5 -0,1 ~ 2.4 Trykk: 0 ~ 0.1 0 ~ 0,16 0 ~ 0,25 0 ~ 0,4 0 ~ 0.6 0 ~ 1 0 ~ 1.6 0 ~ 2.5 0 ~ 4 0 ~ 6 0 ~ 10 0 ~ 16 0 ~ 25 0 ~ 40 0 ~ 60 0 ~ 100 0 ~ 160 | ||||||||
| Miljøforhold for bruk | Temp : -40 ℃~ 70 ℃ | ||||||||
| Vibrasjonsvurdering | V · H · 3 | ||||||||
| Borden rørmateriale | QSN4-0.3 | ||||||||
| Beskyttelsesklasse | IP54 、 IP65 | ||||||||
| Implementeringsstandarder | GB/T 1226 | ||||||||
| Merk: 1. Fellestråder kan tilpasses etter brukerkrav. | |||||||||
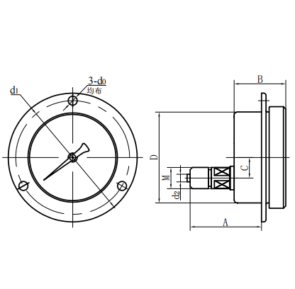
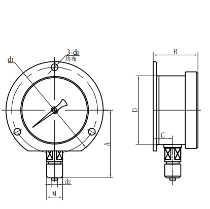
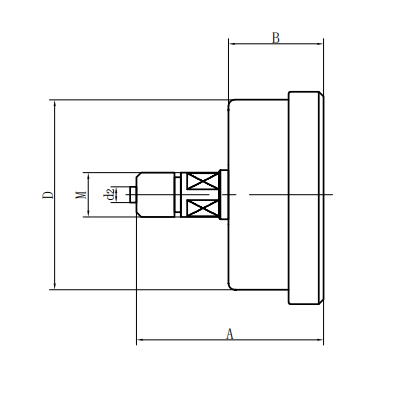
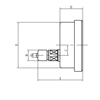
◆ Eksterne dimensjoner:
| Radial direkte type (ⅰ) | Aksial eksentrisk direkte type (ⅱ) |
| Aksial konsentrisk direkte type (III) | Axial Excentric Insert Type (IV) |
| Aksial konsentrisk innsettingstype (V) | Radial konveks type (vi) |
| Modellnummer | Generelle dimensjoner ( mm ) | |||||||
| EN | B | C | D | D0 | D1 | D2 | M | |
| Y40 -Ⅰ | 38 | 25 | 8.5 | Φ 41 | / | / | Φ 3.5 | M10 × 1 |
| Y40 -Ⅲ | 45 | 26 | / | Φ 41 | / | / | Φ 3.5 | M10 × 1 |
| Y40 -Ⅴ | 38 | 26 | / | Φ 41 | Φ 3.5 | Φ 53 | Φ 3.5 | M10 × 1 |
| Y50 -Ⅰ | 50 | 29 | 9.5 | Φ 52 | / | / | Φ 4 | M10 × 1 |
| Y50 -Ⅲ | 54 | 29 | / | Φ 52 | / | / | Φ 4 | M10 × 1 |
| Y50 -Ⅴ | 47 | 29 | / | Φ 52 | Φ 4 | Φ 64 | Φ 4 | M10 × 1 |
| Y60 -Ⅰ | 54 | 30 | 12 | Φ 60 | / | / | Φ 5 | M14 × 1.5 |
| Y60 -Ⅱ | 63 | 34 | 18 | Φ 60 | / | / | Φ 5 | M14 × 1.5 |
| Y60 -Ⅲ | 58 | 30 | / | Φ 60 | / | / | Φ 5 | M14 × 1.5 |
| Y60 -Ⅳ | 45 | 34 | 18 | Φ 60 | Φ 5 | Φ 75 | Φ 5 | M14 × 1.5 |
| Y60 -Ⅴ | 45 | 34 | / | Φ 60 | Φ 5 | Φ 75 | Φ 5 | M14 × 1.5 |
| Y60 -Ⅵ | 54 | 30 | 12 | Φ 60 | Φ 5 | Φ 75 | Φ 5 | M14 × 1.5 |
| Y75 -Ⅰ | 62 | 31 | 10 | Φ 75 | / | / | Φ 5 | M14 × 1.5 |
| Y75 -Ⅲ | 54 | 32 | / | Φ 75 | / | / | Φ 5 | M14 × 1.5 |
| Y75 -Ⅴ | 54 | 32 | / | Φ 75 | Φ 5 | Φ 91 | Φ 5 | M14 × 1.5 |
| Y75 -Ⅵ | 62 | 32 | 10 | Φ 75 | Φ 5 | Φ 91 | Φ 5 | M14 × 1.5 |
| Y100 -Ⅰ | 89 | 44 | 17 | Φ 100 | / | / | Φ 6 | M20 × 1.5 |
| Y100 -Ⅱ | 83 | 44 | 30 | Φ 100 | / | / | Φ 6 | M20 × 1.5 |
| Y100 -Ⅳ | 68 | 44 | 30 | Φ 100 | Φ 6 | Φ 118 | Φ 6 | M20 × 1.5 |
| Y100 -Ⅵ | 89 | 44 | 18 | Φ 100 | Φ 6 | Φ 118 | Φ 6 | M20 × 1.5 |
| Y150 -Ⅰ | 115 | 49 | 17 | Φ 150 | / | / | Φ 6 | M20 × 1.5 |
| Y150 -Ⅱ | 88 | 49 | 55 | Φ 150 | / | / | Φ 6 | M20 × 1.5 |
| Y150 -Ⅳ | 85 | 49 | 55 | Φ 150 | Φ 6 | Φ 165 | Φ 6 | M20 × 1.5 |
| Y150 -Ⅵ | 115 | 49 | 18 | Φ 150 | Φ 6 | Φ 165 | Φ 6 | M20 × 1.5 |
| Y200 -Ⅰ | 140 | 53 | 20 | Φ 200 | / | / | Φ 6 | M20 × 1.5 |
| Y200 -Ⅱ | 92 | 53 | 53 | Φ 200 | / | / | Φ 6 | M20 × 1.5 |
| Y250 -Ⅰ | 165 | 53 | 20 | Φ 250 | / | / | Φ 6 | M20 × 1.5 |
| Y250 -Ⅱ | 92 | 53 | 53 | Φ 250 | / | / | Φ 6 | M20 × 1.5 |

























