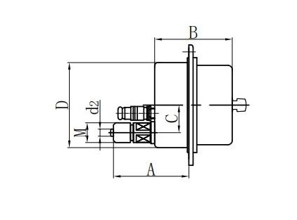
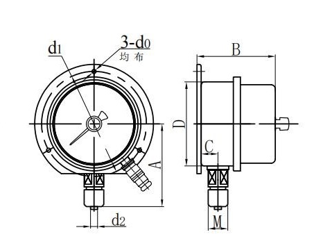
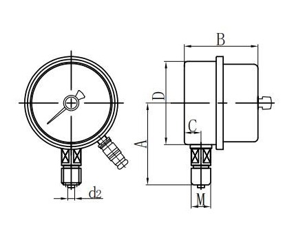
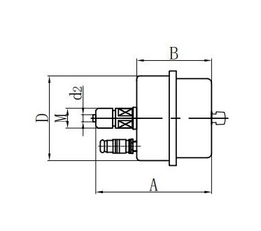
◆ Modell: Yxc60 YX100 YXC-150
◆ Påføring: Denne typen instrument er egnet for å måle trykket på væsker, gasser eller damper uten eksplosjonsfare, ingen krystallisering, ingen størkning og ingen etsende effekt på kobber- og kobberlegeringer. Når den er utstyrt med en passende krets, kan den sende en alarm eller automatisk kontroll til trykksystemet som skal måles og kontrolleres.
◆ Hvis det er nødvendig å lage en støtsikkert type trykkmåler, kan den fylles med glyserin eller silikonolje.


















