◆ Tekniske parametere:
| Modell | CYBN100 | CYBN150 |
| Nominell diameter | Φ 100 | Φ 150 |
| Monteringstype | Radial konveks montert Parallelle grensesnitt | * | * |
| Radial konveks montert Åtte-karaktergrensesnitt | | * |
| Eksentrisk eksentrisk flush -type | * | * |
| Målingsområde | Differensialtrykk Målingsområde KPA | Nominell Arbeidstrykk KPA | Differensialtrykk Målingsområde MPA | Nominell Arbeidstrykk MPA |
| 0 ~ 10 | 60 | 0 ~ 0.16 | 1 |
| 0 ~ 16 | 100 | 0 ~ 0.25 | 1.6 |
| 0 ~ 25 | 160 | 0 ~ 0.4 | 2.5 |
| 0 ~ 40 | 250 | 0 ~ 0.6 | 4 |
| 0 ~ 60 | 400 | 0 ~ 1 | 6 |
| 0 ~ 100 | 600 | 0 ~ 1.6 | 10 |
| | | 0 ~ 2.5 | 10 |
| Nøyaktighetsklasse | 2.5 |
| Passende tråder | M20 × 1.5 |
| Bruk omgivelsestemperatur | -40 ℃~ 70 ℃ |
| Temperaturen på mediet som skal brukes | ≤ 60 ℃ |
| Vibrasjonsmotstandsvurdering | V · H · 4 |
| Kabinettvurdering | IP65 |
| vekt | Omtrent 1,5 kg |
| Materiale i impulssystemet | 0Cr17Ni12MO2 、 SUS316 |
| foringsrør og annet materiale | 1CR18NI9 、 SUS304 |
| Håndheve standarden | JB/T 12015-2014 |
| Note: 1 . Fellesråden kan tilpasses i henhold til brukerkrav. |
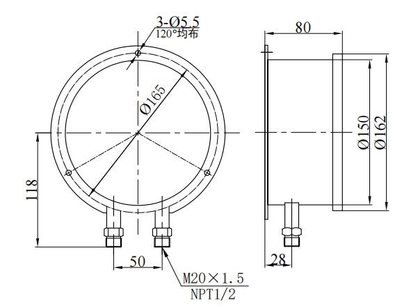
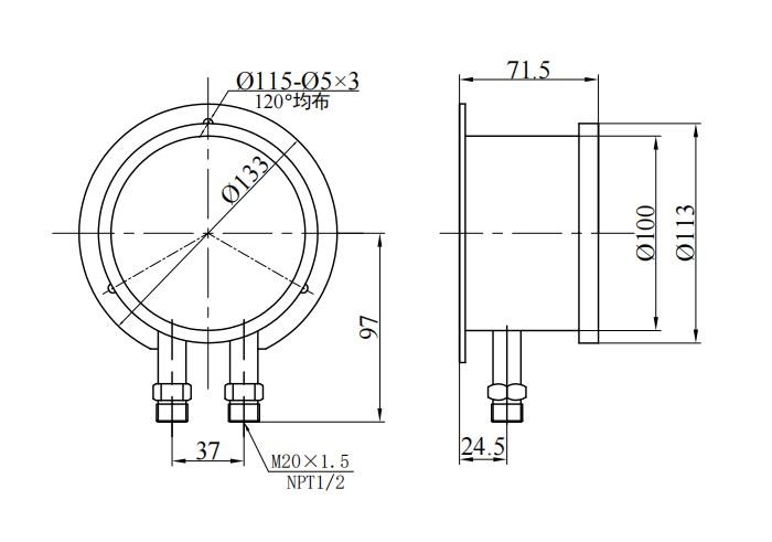
◆ Utseende og installasjonsstørrelse:
| CYBN100 Parallelle grensesnitt | CYBN150 Parallelle grensesnitt |
| CYBN150 Bazi -grensesnitt | CYBN150 Axial eksentrisitet |
◆ Strukturelt prinsipp:
Instrumentet vedtar en dobbel Bourdon -rørstruktur, det vil si at to Bourdon -rør er installert i symmetriske posisjoner på begge sider av "I" -braketten. De øvre og nedre delene av "I" -braketten er henholdsvis den bevegelige enden og den faste enden, og midten er forbundet med et fjærstykke: de to Bourdon -rør er direkte festet på giroverføringsmekanismen.
◆ Arbeidsprinsipp: Basert på trykksenseringselementet brukes to Bourdon -rør med samme stivhet, slik at de blir tvunget til å produsere den samme konsentrerte kraften under det samme målte mediet for å hogle på den bevegelige braketten henholdsvis, fordi de to sidene av fjærbladet ikke produserer avledningen under handlingen av like øyeblikk, så det er at den poenget fremdeles er i den opprinnelige posisjonen, slik at den er en gang, så det er å gjøre det, så det er å gjøre det. stilling.
Når forskjellige trykk brukes (generelt er høytrykksenden høyere enn lavtrykksenden) , er kraften til de to Bourdon-rørene som virker på den bevegelige støtten ikke lik, slik at den tilsvarende forskyvningen genereres henholdsvis, og giroverføringsmekanismen er drevet og amplifisert, og den differensielle trykkverdien mellom de to er indikert etter at poenget er definert, og den differensielle trykkverdien mellom de to er indikert etter at poenget er definert, og den differensielle trykkverdien blir generert mellom de to er indikert.
◆ Forholdsregler:
1. Instrumentet skal installeres vertikalt på en posisjon som er på samme nivå som målepunktet, ellers må den ekstra feilen forårsaket av væskenivåforskjell tas med i betraktningen.
2 . Instrumentkontakten merket med " H "Eller" "er høyspenningsenden, og den som er merket med" L "Eller" - "Er den lave spenningsenden, og den kan ikke reverseres under installasjonen.
3 . Når instrumentet måler differensialtrykket, kan differensialtrykkverdien brukes innenfor 75% av den øvre grensen for skalaområdet, og den maksimale statiske trykkverdien til systemet skal ikke overstige den maksimale statiske trykkverdien som er spesifisert av instrumentet.
4. Som vist i figur 4 , Balanse (sikkerhet) ventil (ventil 1 ) skal settes foran inngangsportene for høye og lave trykk på instrumentet under installasjonen, og skal være i åpen stilling, og balanseventilen skal være lukket etter ventilen 2 and Ventil 3 er alle åpnet.
5 . Før bruk skal instrumentet nøye bekrefte erosjonsgraden forårsaket av det målte mediet, for ikke å forårsake tidlig korrosjonsskade på Bourdon -røret.
6 . Når instrumentet blir vedlikeholdt regelmessig, hvis målerdekselet må åpnes, anbefales det å bruke spesielle verktøy.
7 . Når instrumentet påvirkes av temperaturendringer og indikasjonsfeilen øker og påvirker nøyaktigheten av måling, kan plugg -sjefen på saken kuttes av for å gjøre innsiden og utenfor saken kommunisere og lufttrykket blir balansert.
◆ Bestilling av varsel:
Når du bestiller instrumentet, må brukeren indikere:
1. Navn og modell, differensialt trykkområde, maksimalt statisk trykk, måleenhet, nøyaktighetsnivå;
2. Felles trådstørrelse: Konvensjonell M20 × 1.5 , NPT1/2 (eller kundespesifisert);
3. Merk: Tre ventilgrupper kan tilpasses på vegne av brukere (ventiler 1 ~ 3 i figur 4 )