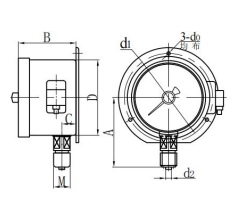
◆ Modell: YTX100B YTX150B
◆ Bruker: Denne serien med instrumenter er spesielt brukt i det omgivende miljøet med brennbare medier og eksplosiv blandingsfare for steder, og måler trykket på væsker og gasser, med de tilsvarende elektriske enheter, kan oppnå alarm eller automatisk kontroll og andre funksjoner.
Instrumentet vedtar en magnetisk elektrisk kontakt, som har egenskapene til stor sugekraft og pålitelig kontakt.
Dette instrumentet oppfyller kravene i GB 3836.1-2010 "Eksplosive atmosfærer - del 1 : Generelle krav til utstyr "og GB3836.2-2010 "Eksplosive atmosfærer - del 2 : Utstyr beskyttet av flammesikre innhegninger " d ".
















