◆ Modell: YQ40 YQ50 YQ60 YQ75 YQ100 YQ150
◆ Bruk: Denne serien med målere er alle laget av rustfritt stål, med intern sikkerhetspartisjon og trykkavlastningshull øverst for å frigjøre overdreven trykk inne i saken på grunn av brudd forårsaket av overbelastning eller utmattelse av elastiske elementer, for å beskytte sikkerheten til operatørene og utstyret. Væskefylte sikkerhetsmåler er vibrasjonsresistente, og forhindrer skader på innsiden av måleren på grunn av vibrasjoner, og smører de indre komponentene for å minimere slitasje og korrosjon.
Disse målerne er mye brukt i boring, raffinering, kjemisk, mat, farmasøytisk, marine, offshore oljeplattformer og andre bransjer.
| modellnummer | YQ60 | YQ100 | YQ150 | |
| Nominell diameter | Φ 60 | Φ 100 | Φ 150 | |
| Installasjonsskjema | Ⅰ | * | * | * |
| Ⅱ | * | * | * | |
| Ⅲ | * | / | / | |
| Ⅳ | * | * | * | |
| Ⅴ | * | / | / | |
| Ⅵ | * | * | * | |
| Kontakttråd | M14 × 1.5 | M20 × 1.5 | ||
| Nøyaktighetsklasse | 2.5 | 1.6 | ||
| Måleområde ( MPA ) | Ledig: -0.1 ~ 0 Trykkvakuum : -0.1 ~ 0,06 -0,1 ~ 0.15 -0.1 ~ 0.3 -0.1 ~ 0,5 -0,1 ~ 0,9 -0,1 ~ 1,5 -0,1 ~ 2.4 Trykk: 0 ~ 0.1 0 ~ 0,16 0 ~ 0,25 0 ~ 0,4 0 ~ 0.6 0 ~ 1 0 ~ 1.6 0 ~ 2.5 0 ~ 4 0 ~ 6 0 ~ 10 0 ~ 16 0 ~ 25 0 ~ 40 0 ~ 60 0 ~ 100 0 ~ 160 0 ~ 250 | |||
| Miljøforhold for bruk | Temp : -40 ℃~ 70 ℃ | |||
| Vibrasjonsvurdering | V · H · 3 | |||
| Borden rørmateriale | OCR18NI12MO2TI ; SUS316 ; SUS316L | |||
| Sak og tilkoblingsmateriale | 1cr18ni9ti ; SUS304 | |||
| beskyttelsesklasse | IP65 | |||
| Implementeringsstandarder | GB/T1226 | |||
| Merk: 1. Fellestråder kan tilpasses etter brukerkrav. | ||||
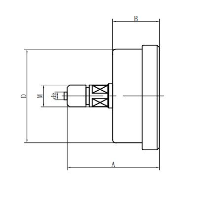
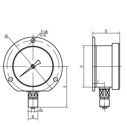
◆ Eksterne dimensjoner:
| Radial direkte type (ⅰ) | Aksial eksentrisk direkte type (ⅱ) |
| Aksial konsentrisk direkte type (III) | Axial Excentric Insert Type (IV) |
| Aksial konsentrisk innsettingstype (V) | Radial konveks type (vi) |
| modellnummer | Generelle dimensjoner ( mm ) | |||||||
| EN | B | C | D | D0 | D1 | D2 | M | |
| Yq60- Ⅰ | 56 | 33 | 11 | Φ 60 | / | / | Φ 5 | M14 × 1.5 |
| Yq60- Ⅱ | 61 | 32.5 | 18 | Φ 60 | / | / | Φ 5 | |
| Yq60- Ⅲ | 61 | 32.5 | / | Φ 60 | / | / | Φ 5 | M14 × 1.5 |
| Yq60- Ⅳ | 55 | 32.5 | 18 | Φ 60 | Φ 5 | Φ 75 | Φ 5 | |
| Yq60- Ⅴ | 55 | 32.5 | / | Φ 60 | Φ 5 | Φ 75 | Φ 5 | M14 × 1.5 |
| Yq60- Ⅵ | 56 | 33 | 11 | Φ 60 | Φ 5 | Φ 75 | Φ 5 | M14 × 1.5 |
| YQ100- Ⅰ | 90 | 48 | 15 | Φ 100 | / | / | Φ 6 | M20 × 1.5 |
| YQ100- Ⅱ | 83 | 44 | 34 | Φ 100 | / | / | Φ 6 | M20 × 1.5 |
| YQ100- Ⅳ | 68 | 44 | 34 | Φ 100 | Φ 6 | Φ 118 | Φ 6 | M20 × 1.5 |
| YQ100- Ⅵ | 90 | 48 | 15 | Φ 100 | Φ 6 | Φ 118 | Φ 6 | M20 × 1.5 |
| YQ150- Ⅰ | 117 | 51 | 16.5 | Φ 150 | / | / | Φ 6 | M20 × 1.5 |
| YQ150- Ⅱ | 92 | 52 | 55 | Φ 150 | / | / | Φ 6 | M20 × 1.5 |
| YQ150- Ⅳ | 69 | 52 | 55 | Φ 150 | Φ 6 | Φ 165 | Φ 6 | M20 × 1.5 |
| YQ150- Ⅵ | 117 | 53 | 28 | Φ 150 | Φ 6 | Φ 165 | Φ 6 | M20 × 1.5 |


















