◆ Modell: YZS102
◆ Modell: YZS102
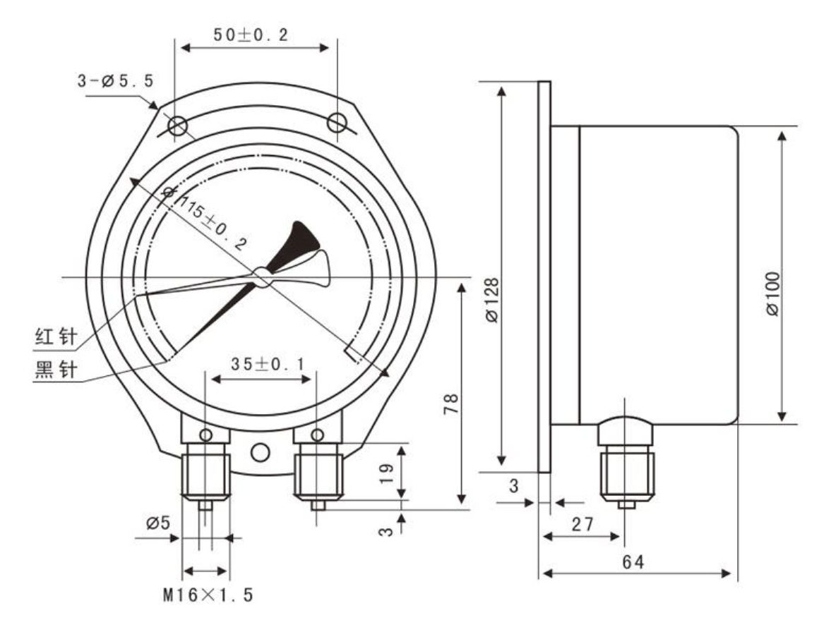
◆ Tekniske parametere:
| Modell | YZS102 |
| Nominell diameter | Φ 100 |
| Passende tråder | M20 × 1.5 ; G3/8 |
| Nøyaktighetsklasse | 1.6 |
| Målingsområde ( KPA ) | 0 ~ 1000 0 ~ 1200 0 ~ 1600 0 ~ 2500 |
| Miljøforhold for bruk | Temperatur: -5 ° C ~ 60 ° C. Relativ fuktighet: ikke mer enn 80%. |
| Temperatureffekter | (Avvik fra 20 ° C ± 5 ° C ved bruk) er ikke større enn 0,4%/10 ° C. |
| vekt | 0,7 kg |
| Vibrasjonsmotstandsvurdering | V · H · 3 |
| Inntrengningsbeskyttelse | IP54 |
| Håndheve standarden | GB/T1226 |
| Note: 1 . Fellesråden kan tilpasses i henhold til brukerkrav. | |
◆ Utvendige dimensjoner:
Wuxi Huihua Special Instrumentation Co., Ltd. was established in December 2001, the registered capital is 5 million yuan, the existing staff of more than 50 small and medium-sized joint-stock enterprises.
Selskapet spesialiserer seg på produksjon av forskjellige typer spesielle instrumenter, alternativ til lokalisering av importerte instrumenter. Til seismisk trykkmåler, seismisk elektrisk kontakttrykkmåler, rustfritt stål trykkmåler, membran korrosjonsresistent trykkmåler, marint trykkmåler og andre serier som hovedprodukter. På grunnlag av feltinstrumenter har vi utviklet forskjellige typer trykk sendere, trykkkontrollere, digitale trykkmålere og så videre. Det er mer enn 30 serier og 3000 spesifikasjoner. Forsyningsprodukter er mye brukt i petroleum, kjemisk, papir, metallurgi, gruvedrift, kjemisk fiber, elektrisk kraft, mat, miljøvern, gummi og plast, hydraulikk og mange andre bransjer, og mer enn 2000 innenlandske kunder for å etablere et vennlig forhold til det nasjonale store og mellomstore bedrifter for å etablere et godt partnerskap, vant flertallet av brukerne og satt opp et selskap.
Som YZS-serien dobbelt-nåle dobbeltrørspressmålere Manufacturers, Strenge kvalitetskontrollprosesser er på plass i hele produksjonssystemet for å sikre at det produseres jevn kvalitet.
Trykkmålere er blant de mest grunnleggende instrumentene i ethvert industrielt, mekanisk eller prosessmiljø. De gir sanntidsmåling av væske- eller gasstrykk, slik at operatører kan overvåke systemytelse, forhindre ska......
Les merForstå det grunnleggende om trykkmåler Trykkmålere er essensielle instrumenter som brukes på tvers av utallige bransjer for å måle og vise trykket til gasser eller væsker i et system. Disse enhetene tjener kr......
Les merDifferensialtrykktransmittere står som essensielle instrumenter i moderne industrielle prosesskontroll-, måle- og overvåkingssystemer. Disse enhetene måler forskjellen i trykk mellom to punkter i et system og konverte......
Les mer