◆ Modell: YC40 YC50 YC60 YC75 YC100 YC150
◆ Bruk: Denne serien med instrumenter er egnet for å måle trykket på væske, gass, damp og andre flytende medier uten eksplosjonsfare, krystallisering eller størkning på skip og relatert utstyr.
Denne serien med instrumenter har lysende type, i hovedskalaen til skiven og frontenden av pekeren er belagt med aktivt eller passivt permanent lysende middel, slik at trykkverdien kan leses tydelig i mørket.
Skallet i denne serien med instrumenter er fullt forseglet og har en viss motstand mot sjøvannskorrosjon, og beskytter dermed de interne komponentene i instrumentet mot skade og korrosjon med bølger og sjøvann.
Denne serien med instrumenter kan også fylles med dempingsolje med lav viskositet i skallet, med evnen til å motstå vibrasjonen i arbeidsmiljøet forårsaket av det dårlige været i havet og middels trykkpulsering.
Denne serien med instrumenter brukes hovedsakelig i offshore frakt, offshore olje- og gassfelt, offshore boreplattformer, havbunn gruvedrift, innlandsnavigasjon og andre bransjer.
◆ Tekniske parametere :
| Modellnummer | Ylm60 | YLM100 | YLM150 | |
| Nominell diameter | Φ 60 | Φ 100 | Φ 150 | |
| Monteringstype | Ⅰ | * | * | * |
| Ⅱ | * | * | * | |
| Ⅲ | * | / | / | |
| Ⅳ | * | * | * | |
| Ⅴ | * | / | / | |
| Ⅵ | * | * | * | |
| Kontakttråd | M14 × 1.5 | M20 × 1.5 | ||
| Nøyaktighetsklasse | 2.5 | 1.6 | ||
| Måleområde ( MPA ) | Ledig: -0.1 ~ 0 Trykkvakuum : -0.1 ~ 0,06 -0,1 ~ 0.15 -0.1 ~ 0.3 -0.1 ~ 0,5 -0,1 ~ 0,9 -0,1 ~ 1,5 -0,1 ~ 2.4 Trykk: 0 ~ 0.1 0 ~ 0,16 0 ~ 0,25 0 ~ 0,4 0 ~ 0.6 0 ~ 1 0 ~ 1.6 0 ~ 2.5 0 ~ 4 0 ~ 6 0 ~ 10 0 ~ 16 0 ~ 25 0 ~ 40 0 ~ 60 0 ~ 100 、 0 ~ 160 、 0 ~ 250 |
| Miljøforhold for bruk | Temp : -40 ℃~ 70 ℃ |
| Vibrasjonsvurdering | Normal type : V · H · 3 ; Seismisk type (flytende fylt type) : V · H · 4 |
| Borden rørmateriale | QSN4-0.3 、 OCR18NI12MO2TI |
| Sak og tilkoblingsmateriale | 1cr18ni9ti ; SUS304 |
| beskyttelsesklasse | IP65 |
| Implementeringsstandarder | GB/T 1226 ; JB/T 6804 |
| Merk: 1. Fellestråder kan tilpasses etter brukerkrav. | |
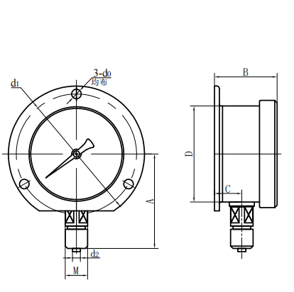
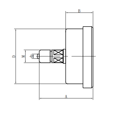
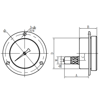
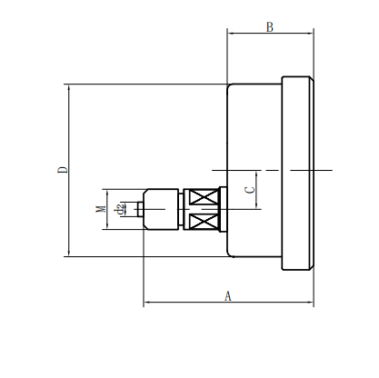
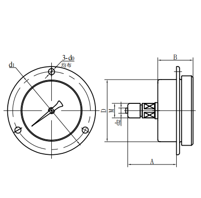
◆ Eksterne dimensjoner:
| Radial direkte type (ⅰ) | Aksial eksentrisk direkte type (ⅱ) |
| Aksial konsentrisk direkte type (III) | Axial Excentric Insert Type (IV) |
| Aksial konsentrisk innsettingstype (V) | Radial konveks type (vi) |
| modellnummer | Generelle dimensjoner (MM) | |||||||
| EN | B | C | D | D0 | D1 | D2 | M | |
| Yc60- Ⅰ | 56 | 33 | 11 | Φ 60 | / | / | Φ 5 | M14 × 1.5 |
| Yc60- Ⅱ | 61 | 32.5 | 18 | Φ 60 | / | / | Φ 5 | |
| Yc60- Ⅲ | 61 | 32.5 | / | Φ 60 | / | / | Φ 5 | M14 × 1.5 |
| Yc60- Ⅳ | 55 | 32.5 | 18 | Φ 60 | Φ 5 | Φ 75 | Φ 5 | |
| Yc60- Ⅴ | 55 | 32.5 | / | Φ 60 | Φ 5 | Φ 75 | Φ 5 | M14 × 1.5 |
| Yc60- Ⅵ | 56 | 33 | 11 | Φ 60 | Φ 5 | Φ 75 | Φ 5 | M14 × 1.5 |
| YC100- Ⅰ | 90 | 48 | 15 | Φ 100 | / | / | Φ 6 | M20 × 1.5 |
| YC100- Ⅱ | 83 | 44 | 34 | Φ 100 | / | / | Φ 6 | M20 × 1.5 |
| YC100- Ⅳ | 68 | 44 | 34 | Φ 100 | Φ 6 | Φ 118 | Φ 6 | M20 × 1.5 |
| YC100- Ⅵ | 90 | 48 | 15 | Φ 100 | Φ 6 | Φ 118 | Φ 6 | M20 × 1.5 |
| YC150- Ⅰ | 117 | 51 | 16.5 | Φ 150 | / | / | Φ 6 | M20 × 1.5 |
| YC150- Ⅱ | 92 | 52 | 55 | Φ 150 | / | / | Φ 6 | M20 × 1.5 |
| YC150- Ⅳ | 69 | 52 | 55 | Φ 150 | Φ 6 | Φ 165 | Φ 6 | M20 × 1.5 |
| YC150- Ⅵ | 117 | 53 | 28 | Φ 150 | Φ 6 | Φ 165 | Φ 6 | M20 × 1.5 |


















