◆ Modell: YG60 YG100 YG150
◆ Bruk: Alle deler av denne serien med målere er laget av rustfritt stål, og hoveddelene er laget av 1CR18NI9, OCR18NI12MO2TI, SUS316, SUS316L, etc. Sveisingen av hver del er laget av en spesiell prosess. Blant dem har den korrosjonsresistente trykkmåleren med høy temperatur utmerket høye temperaturer og korrosjonsbestandig ytelse, egnet for etsende miljøer, kan oppdage svakt etsende, men ikke krystallisering, ikke-konsolidering, lav viskositet med medier med høy temperatur. Mye brukt i petroleum, kjemisk, plantevernmiddel, gummi, naturgass og andre bransjer.
◆ Tekniske parametere :
| Modellnummer | YG60 | YG100 | YG150 | ||
| Nominell diameter | Φ 60 | Φ 100 | Φ 150 | ||
| Monteringstype | Ⅰ | * | * | * | |
| Ⅱ | * | * | * | ||
| Ⅲ | * | / | / | ||
| Ⅳ | * | * | * | ||
| Ⅴ | * | / | / | ||
| Ⅵ | * | * | * | ||
| Kontakttråd | M14 × 1.5 | M20 × 1.5 | |||
| Nøyaktighetsklasse | 2.5 | 1.6 | |||
| Måleområde ( MPA ) | Ledig: -0.1 ~ 0 Trykkvakuum : -0.1 ~ 0,06 -0,1 ~ 0.15 -0.1 ~ 0.3 -0.1 ~ 0.5 -0.1 ~ 0,9 -0,1 ~ 1,5 -0,1 ~ 2.4 Trykk: 0 ~ 0.1 0 ~ 0,16 0 ~ 0,25 0 ~ 0,4 0 ~ 0.6 0 ~ 1 0 ~ 1.6 0 ~ 2.5 0 ~ 4 0 ~ 6 0 ~ 10 0 ~ 16 0 ~ 25 0 ~ 40 0 ~ 60 0 ~ 100 、 0 ~ 160 、 0 ~ 250 | ||||
| Miljøforhold for bruk | Temp : -40 ℃~ 70 ℃ | ||||
| Temperatur | Direkte installasjon : ≤ 150 ℃ | ||||
| Temperatur: ≤ 500 ℃ | |||||
| Temperatureffektfeil | Δ = ± (Δ K Δ t ) Δ - - den tillatte verdien av visningsverdifeilen når omgivelsestemperaturen avviker fra 20 ℃ ± 5 ℃, og den tillatte verdien av visningsverdifeilen når omgivelsestemperaturen avviker fra 20 ℃ ± 5 ℃. % Δ— - den absolutte verdien av instrumentets iboende feil. % K — - Temperatur Effektkoeffisient med en verdi på 0,04%/° C Δ t — -∣temperatur av mediet ved Bourdon -røret ℃ -25∣ | ||||
| Vibrasjonsvurdering | V · H · 3 | ||||
| Borden rørmateriale | OCR18NI12MO2TI ; SUS316 ; SUS316L | ||||
| Hus, kontaktmateriale | 1cr18ni9ti ; SUS304 | ||||
| Beskyttelsesklasse | IP65 | ||||
| Implementeringsstandarder | GB/T 1226 | ||||
| Merk: 1. Fellestråder kan tilpasses etter brukerkrav. | |||||
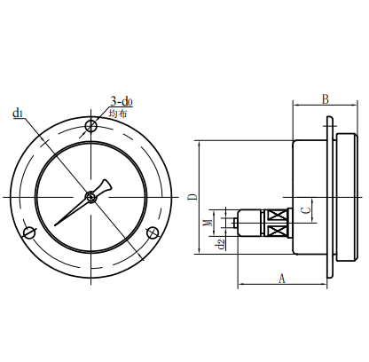
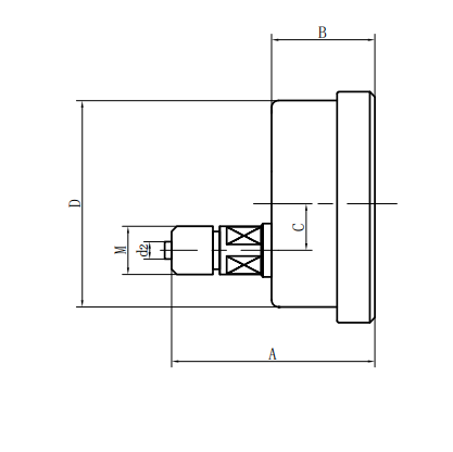
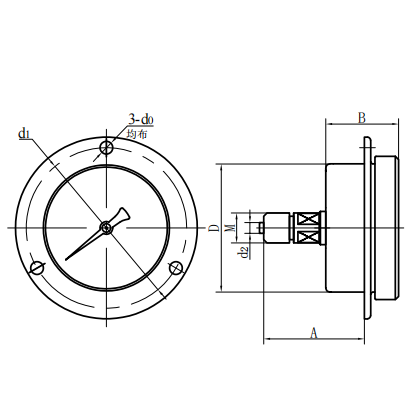
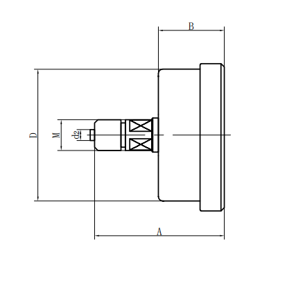
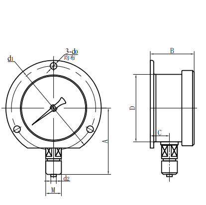
◆ Eksterne dimensjoner:
| Radial direkte type (ⅰ) | Aksial eksentrisk direkte type (ⅱ) |
| Aksial konsentrisk direkte type (III) | Axial Excentric Insert Type (IV) |
| Aksial konsentrisk innsettingstype (V) | Radial konveks type (vi) |
| Modellnummer | Generelle dimensjoner ( mm ) | |||||||
| EN | B | C | D | D0 | D1 | D2 | M | |
| YG60 -Ⅰ | 56 | 33 | 11 | Φ 60 | / | / | Φ 5 | M14 × 1.5 |
| YG60 -Ⅱ | 61 | 32.5 | 18 | Φ 60 | / | / | Φ 5 | |
| YG60 -Ⅲ | 61 | 32.5 | / | Φ 60 | / | / | Φ 5 | M14 × 1.5 |
| YG60 -Ⅳ | 55 | 32.5 | 18 | Φ 60 | Φ 5 | Φ 75 | Φ 5 | |
| YG60 -Ⅴ | 55 | 32.5 | / | Φ 60 | Φ 5 | Φ 75 | Φ 5 | M14 × 1.5 |
| YG60 -Ⅵ | 56 | 33 | 11 | Φ 60 | Φ 5 | Φ 75 | Φ 5 | M14 × 1.5 |
| YG100 -Ⅰ | 90 | 48 | 15 | Φ 100 | / | / | Φ 6 | M20 × 1.5 |
| YG100 -Ⅱ | 83 | 44 | 34 | Φ 100 | / | / | Φ 6 | M20 × 1.5 |
| YG100 -Ⅳ | 68 | 44 | 34 | Φ 100 | Φ 6 | Φ 118 | Φ 6 | M20 × 1.5 |
| YG100 -Ⅵ | 90 | 48 | 15 | Φ 100 | Φ 6 | Φ 118 | Φ 6 | M20 × 1.5 |
| YG150 -Ⅰ | 117 | 51 | 16.5 | Φ 150 | / | / | Φ 6 | M20 × 1.5 |
| YG150 -Ⅱ | 92 | 52 | 55 | Φ 150 | / | / | Φ 6 | M20 × 1.5 |
| YG150 -Ⅳ | 69 | 52 | 55 | Φ 150 | Φ 6 | Φ 165 | Φ 6 | M20 × 1.5 |
| YG150 -Ⅵ | 117 | 53 | 28 | Φ 150 | Φ 6 | Φ 165 | Φ 6 | M20 × 1.5 |
















