◆ Modell: YLM60 YLM100 YLM150
◆ Bruksområde: Denne serien med instrumenter er spesielle instrumenter for å oppdage lav temperatur eller spesielt kjølemedium, hovedsakelig brukt i klimaanlegg, vannkjøler, lufttørker eller montering av kjølemediemålergruppesystem.
Det kan også lage forskjellige kjølemedium-flermerkende paneler i henhold til kundenes krav, og det er mange slags luer og saker (sveitsisk stil) for kundene å velge.
På grunn av den optimaliserte tilkoblingsdesignen og de spesielle hensynene til valg av sveisematerialer og trykksenseringskomponenter, har denne serien av produkter utmerkede egenskaper for anti-lekkasje, anti-trykkpuls og antivibrasjon, så kvaliteten på instrumentet er sterkt forbedret, og feil
◆ Tekniske parametere :
| Modellnummer | Ylm60 | YLM100 | YLM150 | |
| Nominell diameter | Φ 60 | Φ 100 | Φ 150 | |
| Monteringstype | Ⅰ | * | * | * |
| Ⅱ | * | * | * | |
| Ⅲ | * | / | / | |
| Ⅳ | * | * | * | |
| Ⅴ | * | / | / | |
| Ⅵ | * | * | * | |
| Kontakttråd | M14 × 1.5 | M20 × 1.5 | ||
| Nøyaktighetsklasse | 2.5 | 1.6 | ||
| Måleområde ( MPA ) | Lavspenning : (- 30 ~ 0 ... 15 ) kg , 1,8MPA undertrykkende :( 0 ~ 35 ) kg , 3,8MPA | |||
| Medietype Spesifikasjon | R134A 、 R22A 、 R404A 、 R407A | |||
| Miljøforhold for bruk | Temp : -20 ℃~ 60 ℃; Relativ fuktighet : ≤ 80 % | |||
| Vibrasjonsvurdering | V · H · 3 | |||
| beskyttelsesklasse | IP54 | |||
| Implementeringsstandarder | GB/T 1226 | |||
| Merk: 1. Fellestråder kan tilpasses etter brukerkrav. | ||||
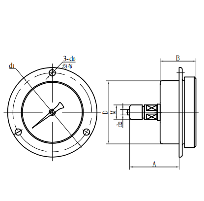
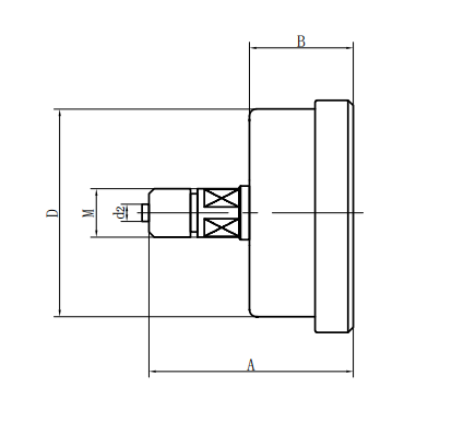
◆ Eksterne dimensjoner:
| Radial direkte type (ⅰ) | Aksial eksentrisk direkte type (ⅱ) |
| Aksial konsentrisk direkte type (III) | Axial Excentric Insert Type (IV) |
| Aksial konsentrisk innsettingstype (V) | Radial konveks type (vi) |
| Modellnummer | Generelle dimensjoner ( mm ) | |||||||
| EN | B | C | D | D0 | D1 | D2 | M | |
| Ylm60 -Ⅰ | 56 | 33 | 11 | Φ 60 | / | / | Φ 5 | M14 × 1.5 |
| Ylm60 -Ⅱ | 61 | 32.5 | 18 | Φ 60 | / | / | | |
| Ylm60 -Ⅲ | 61 | 32.5 | / | Φ 60 | / | / | Φ 5 | M14 × 1.5 |
| Ylm60 -Ⅳ | 55 | 32.5 | 18 | Φ 60 | Φ 5 | Φ 75 | | |
| Ylm60 -Ⅴ | 55 | 32.5 | / | Φ 60 | Φ 5 | Φ 75 | Φ 5 | M14 × 1.5 |
| Ylm60 -Ⅵ | 56 | 33 | 11 | Φ 60 | Φ 5 | Φ 75 | Φ 5 | M14 × 1.5 |
| YLM100 -Ⅰ | 90 | 48 | 15 | Φ 100 | / | / | Φ 6 | M20 × 1.5 |
| YLM100 -Ⅱ | 83 | 44 | 34 | Φ 100 | / | / | Φ 6 | M20 × 1.5 |
| YLM100 -Ⅳ | 68 | 44 | 34 | Φ 100 | Φ 6 | Φ 118 | Φ 6 | M20 × 1.5 |
| YLM100 -Ⅵ | 90 | 48 | 15 | Φ 100 | Φ 6 | Φ 118 | Φ 6 | M20 × 1.5 |
| YLM150 -Ⅰ | 117 | 51 | 16.5 | Φ 150 | / | / | Φ 6 | M20 × 1.5 |
| YLM150 -Ⅱ | 92 | 52 | 55 | Φ 150 | / | / | Φ 6 | M20 × 1.5 |
| YLM150 -Ⅳ | 69 | 52 | 55 | Φ 150 | Φ 6 | Φ 165 | Φ 6 | M20 × 1.5 |
| YLM150 -Ⅵ | 117 | 53 | 28 | Φ 150 | Φ 6 | Φ 165 | Φ 6 | M20 × 1.5 |


















