◆ Modell: y¨-ml y¨-mf y¨-mg y¨-mz y¨-mk y¨-mn y¨-ms
◆ Påføring: På grunn av den indirekte målestrukturen er mellomgulvet trykkmåleren egnet for å måle trykket på væsker, gasser eller granulært flytende faste stoffer med høy viskositet, lett å krystallisere, sterk korrosjon og høy temperatur. Isolasjonsmembranen har en rekke materialer for å tilpasse seg en rekke forskjellige etsende medier.
Disse instrumentene brukes hovedsakelig i kjemisk fiber, syntetisk fiber, petroleum, farging, alkali, syre, mat, medisin, konstruksjon, gruvedrift, smelting og andre bransjer.
Målerhodet på denne typen instrument kan brukes i en rekke serier: generell trykkmåler, sjokkresistent trykkmåler, en rekke elektriske kontakttrykkmåler, en rekke støtresistent elektrisk kontakttrykkmåler, trykk sender, fjerntrykksmåler, digital trykkmåler, trykkkontroller og så på.
◆ Strukturprinsipp:
Dette instrumentet er indirekte måling. Isolasjonsmembrandeformasjon Under trykket fra det målte mediet blir tetningsvæsken trykksatt, og trykket overføres til trykket.
Tetningsvæsken er trykksatt, og trykket blir utført til deteksjonsinstrumentet, som viser verdien av det målte mediumtrykket.
◆ Tekniske parametere :
| Målerhodemodell | Ulike typer trykkinstrumenter, trykk sendere, trykkkontrollere, etc. | |||
| Nøyaktighetsklasse | 1.6 ; 2.5 | |||
| Nøyaktighetsklasse ( MPA ) | 0 ~ 0.1 0 ~ 0,16 0 ~ 0,25 0 ~ 0,4 0 ~ 0.6 0 ~ 1 0 ~ 1.6 0 ~ 2.5 0 ~ 4 0 ~ 6 0 ~ 10 0 ~ 16 0 ~ 25 0 ~ 40 | |||
| Membranmateriale | kallenavn | Materialee | kallenavn | Material |
| 1 | 0cr18ni12mo2 | 5 | Hastelloy C (H276C) | |
| 2 | SUS304 | 6 | Monellegering (Cu30NI70) | |
| 3 | SUS316 | 7 | Tantalum (TA) | |
| 4 | SUS316L | 8 | Fluoroplast (PTFE) | |
| Isolatormateriale | 1CR18NI9; 304; 316; 316l; F4; PVC, etc. | |||
| Tetningspakningsmateriale | NBR; Medisinsk silikongummi; Ptfe; Grafitt; Fluorelastomer; etc. | |||
| Fyll ledningsvæske | Metylsilikonolje, vegetabilsk olje, glyserin, fluorert olje, etc. | |||
| temperatureffekt | Fordi den termiske ekspansjonen av den ledende væsken og stivheten til mellomgulvet er relatert til temperaturen, er feilverdien 0,1%/° C når driftstemperaturen avviker fra 20 ± 5 ° C. | |||
| Korrosjonsbeskyttelse | Denne ytelsen inkluderer korrosjonsegenskapene til miljøet og målemediet, og materialet til isolatoren, membranark og tetningsvask kan velges i henhold til bruksbetingelsene. | |||
| Nivåforskjell | Slange tilkoblet membran trykkmåler i installasjonen Hvis målepunktet og trykkmåleren er i forskjellige høyder, dens væskenivåforskjell generert av trykkforskjellen △ P vil påvirke den målte verdien av instrumentet, formelen er: △ P = spesifikk tyngdekraft til tetningens væske × væskenivåforskjell. | |||
| Implementeringsstandarder | JB/T 8624 | |||
| Merk: 1, kan tilkoblingstråden tilpasses i henhold til brukerkrav; 2 、 Tilkoblingsflens kan tilpasses i henhold til brukerkrav Flensstandard. | ||||
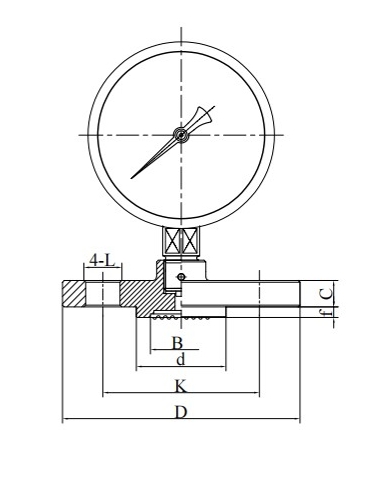
◆ Isolator Type størrelse og installasjonsskjema:
| (ML) Gjenget grensesnitt | (MF) Åpen ansiktsflens |
























